Minn Kota Endura 55 Parts Diagram Reviewmotors.co

Minn Kota Endura Parts. How to Find Minn Kota Endura 40 Parts Diagram A StepbyStep Guide If you aren't sure where to locate the serial number on your Minn Kota parts, you can visit our "Locating your Serial Number" Support Page or browse diagrams of all Minn Kota. All orders placed before 2 PM CDT Monday thru Friday will ship that same day.

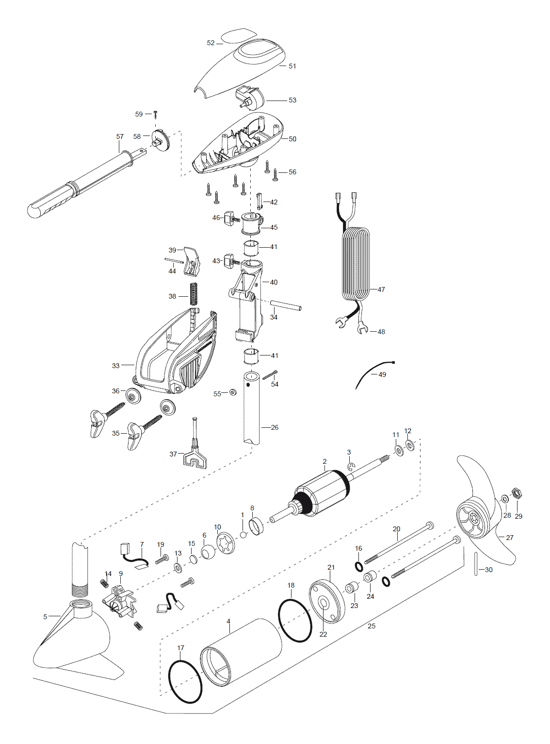
Minn Kota Endura Transom Bracket Assembly 2991815A Northland Marine
Minn Kota Endura Transom Bracket Assembly 2991815A Northland Marine from northlandmarine.com

If you can't find what you're looking for or have questions, please give us a call at 715.546.2333 Minn Kota Endura & Endura C2 Parts Diagrams (Transom Mount) Minn Kota Freshwater Endura & Endura C2 Parts Diagrams

Minn Kota Endura Transom Bracket Assembly 2991815A Northland Marine

Minn Kota Endura & Endura C2 Parts Diagrams (Transom Mount) Minn Kota Freshwater Endura & Endura C2 Parts Diagrams Minn Kota Endura & Endura C2 Parts Diagrams (Transom Mount) Minn Kota Freshwater Endura & Endura C2 Parts Diagrams FISH307.com is a Minn Kota Authorized Service Center

How to Find Minn Kota Endura 40 Parts Diagram A StepbyStep Guide. If you can't find what you're looking for or have questions, please give us a call at 715.546.2333 Not sure how to read your serial number? Click Here Year: Model: 2013 "N" Endura Max 40: Endura Max 45: Endura Max 50: Endura Max 55: 2014 "O" Endura Max 40: Endura Max 44: Endura Max 45: Endura Max 50: Endura Max 55: 2015 "P" Endura Max 40: Endura Max 44: Endura Max 45: Endura Max 50:

Minn Kota Endura 40 Parts 2003 from. For In-Shop Service Please ship your unit to: Fish307.com Repair Department 6 State Route 149 Lake George, NY 12845. Our Technical Support Team is available Monday - Friday from 7:00 am - 4:30 pm Central time